Tính năng sản phẩm
- Ứng dụng: cho cửa gỗ hoặc khung nhôm
- Phiên bản: đóng giảm chấn
- Góc mở: 103º
- Chiều dày cánh: 18 – 32mm
- Chiều rộng cánh: tối đa 600mm
- Chiều cao cánh: tối đa 2100mm
- Trọng lượng cánh: tối đa 16Kg
- Vật liệu: thân bằng hợp kim kẽm, khớp nối bằng thép
- Màu sắc/lớp hoàn thiện: mạ màu đen
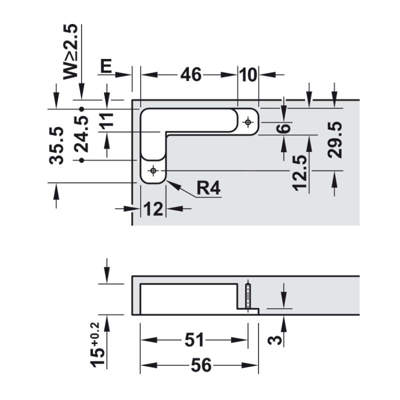
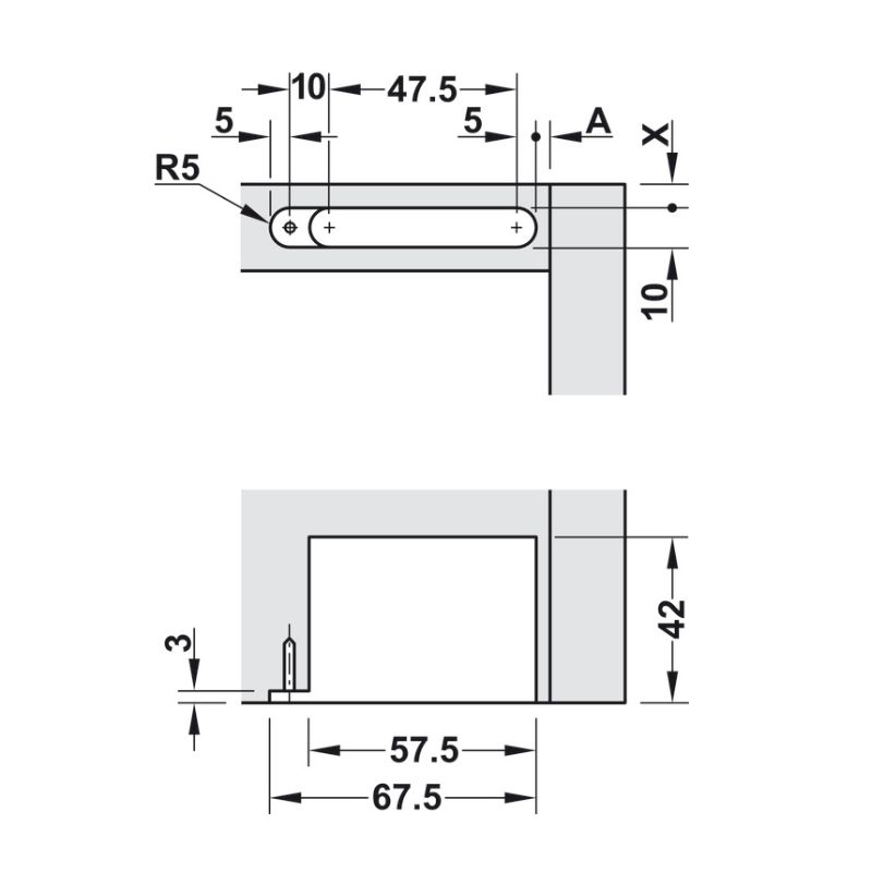
- Khả năng điều chỉnh: chiều cao +/-1.5mm, cạnh bên +/-2mm, chiều sâu +2mm tới -05mm
- Trọn bộ gồm: 2 bản lề ( trên và dưới ) và 2 nắp che
- Đóng gói: 1 bộ
- Thành phần:
| 342.79.300 | Mã số |
| 342.79.301 | |
| 342.79.302 |
















Đánh giá
Chưa có đánh giá nào.